公司動態
12S101組合式不銹鋼水箱圖集 第一冊
點擊全冊:不銹鋼水箱圖集 12S101 PDF格式
12S101組合式不銹鋼水箱圖集(外形圖)

12S101組合式不銹鋼水箱圖集(選用表)

12S101組合式不銹鋼水箱圖集(標準標)

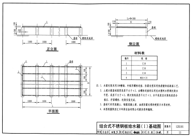
12S101組合式不銹鋼水箱圖集(基礎圖)

點擊全冊:不銹鋼水箱圖集 12S101 PDF格式
12S101組合式不銹鋼水箱圖集(外形圖)

12S101組合式不銹鋼水箱圖集(選用表)

12S101組合式不銹鋼水箱圖集(標準標)

12S101組合式不銹鋼水箱圖集(基礎圖)
